Resistor-Transistor Logic (RTL) in Hindi
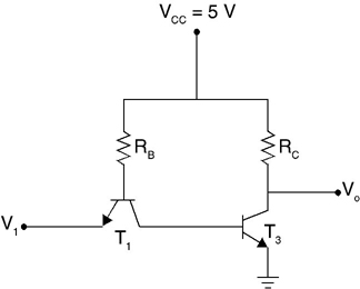
Resistor-Transistor Logic (RTL) in Hindi दोस्तों आज इस पोस्ट में हम लोग Resistor-Transistor Logic (RTL) के बारे में जानेगे। रेसिस्टर-ट्रांजिस्टर लॉजिक (RTL) रेसिस्टर-ट्रांजिस्टर लॉजिक (RTL)
This is a website, which is a place for any student or people, who are want to know basic ideas of EC Engineering.
Resistor-Transistor Logic (RTL) in Hindi दोस्तों आज इस पोस्ट में हम लोग Resistor-Transistor Logic (RTL) के बारे में जानेगे। रेसिस्टर-ट्रांजिस्टर लॉजिक (RTL) रेसिस्टर-ट्रांजिस्टर लॉजिक (RTL)
Emitter-Coupled Logic (ECL) Emitter-Coupled Logic (ECL) एमिटर-कपल्ड लॉजिक सभी डिजिटल लॉजिक परिवारों में सबसे तेज है। इसका आविष्कार हैनन एस. योरके ने 1956 में आईबीएम में
Transistor-Transistor Logic (TTL) in हिंदी (ट्रांजिस्टर-ट्रांजिस्टर लॉजिक (TTL) हिंदी में) TTL जैसा कि ऊपर उल्लिखित है, TTL ट्रांजिस्टर-ट्रांजिस्टर लॉजिक का संछिप्त रूप है । यह एक logic family हैं
Multivibrator in Hindi (मल्टीबायब्रेटर हिंदी में ) मल्टीबायब्रेटर एक two-state (टू – स्टेट) डिवाइस है, जिसका उपयोग डिजिटल इलेक्ट्रॉनिक्स में व्यापक रूप से किया जाता है। इन उपकरणों
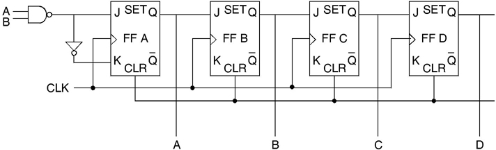
Shift Register in Hindi (शिफ्ट रजिस्टर हिंदी में) Shift Register in Hindi: रजिस्टर या शिफ्ट रजिस्टर एक binary भंडारण तत्व हैं जिनमें फ्लिप-फ्लॉप और गेट
Logic Gate in Hindi (लॉजिक गेट हिंदी में) आज के post me हम logic gate के बारे में जानेंगे और logic gate की जनकारी हमारी
Flip-Flop in hindi (फ्लिप-फ्लॉप हिंदी में) Flip-Flop (फ्लिप-फ्लॉप) फ्लिप-फ्लॉप एक अनुक्रमिक तार्किक सर्किट circuit है, जो एक एज ट्रिगर पर संवेदनशील है। फ्लिप-फ्लॉप और लैच को विभिन्न