Shift Register in Hindi (शिफ्ट रजिस्टर हिंदी में)

Shift Register in Hindi (शिफ्ट रजिस्टर हिंदी में)

Shift Register in Hindi: रजिस्टर या शिफ्ट रजिस्टर एक binary भंडारण तत्व हैं जिनमें फ्लिप-फ्लॉप और गेट शामिल हैं। वे अनुक्रमिक सर्किट (sequential circuits) के परिवार से संबंधित हैं। जब कोम्बिनेशन सर्किट अनुपस्थित होते हैं, तो रजिस्टरों को क्लॉक अनुक्रमिक सर्किट कहा जाता है। जब फ्लिप-फ्लॉप सर्किट की clock pulse enable होती है, तो बाइनरी जानकारी को लोड और स्टोर करने के लिए रजिस्टरों का उपयोग किया जाता है।

यह अनुक्रमिक उपकरण (sequential device) अपने इनपुट पर मौजूद डेटा को लोड करता है और फिर हर एक घड़ी चक्र (clock cycle) के बाद एक बार अपने आउटपुट में स्थानांतरित या “शिफ्ट” करता है, इसलिए शिफ्ट रजिस्टर (Shift Register) कहा जाता है ।

Shift Register में मूल रूप से कई सिंगल बिट “D-Type Data Latches” होते हैं, प्रत्येक डेटा बिट के लिए या तो लॉजिक “0” या “1” उपयोग होता है ।

Shift Register

एक Binary Information को दाएं से बाएं या बाएं से दाएं स्थानांतरित करने में सक्षम रजिस्टर को शिफ्ट रजिस्टर (Shift Register) कहा जाता है। शिफ्ट रजिस्टर में कई फ्लिप-फ्लॉप कैस्केड में जुड़े होते है।

शिफ्ट रजिस्टर एक डिजिटल उपकरण है जिसका उपयोग डेटा के भंडारण और हस्तांतरण के लिए किया जाता है। संग्रहित किया जाने वाला डेटा फ्लिप-फ्लॉप के आउटपुट पर प्रदर्शित होने वाला डेटा होता है। शिफ्ट रजिस्टर में मूल बिल्डिंग ब्लॉक फ्लिप-फ्लॉप होते है, मुख्य रूप से डी-टाइप फ्लिप-फ्लॉप उपयोग होता है।

Classification of shift registers (शिफ्ट रजिस्टरों का वर्गीकरण)

शिफ्ट रजिस्टर को चार प्रकारों में वर्गीकृत किया गया है, अर्थात्:

सीरियल इन / सीरियल आउट (SISO):

इस प्रकार के शिफ्ट रजिस्टर में एक बिट डेटा को क्रमिक रूप से रजिस्टर के अंदर और बाहर ले जाया जाता है।

सीरियल इन / पैरेलल आउट (SIPO):

इस प्रकार के शिफ्ट रजिस्टर में एक बिट डेटा को क्रमिक रूप से रजिस्टर में लोड किया जाता है लेकिन संग्रहीत डेटा को समानांतर रूप से रजिस्टर से बाहर निकाला जाता है।

पैरेलल इन / सीरियल आउट (PISO):

इस प्रकार के शिफ्ट रजिस्टर में एक बिट डेटा को समानांतर रूप से रजिस्टर में लोड किया जाता है लेकिन संग्रहीत डेटा को क्रमिक रूप से रजिस्टर से बाहर निकाला जाता है।

पैरेलल इन / पैरेलल आउट (PIPO):

इस प्रकार के शिफ्ट रजिस्टर में एक बिट डेटा को समानांतर रूप से रजिस्टर में लोड किया जाता है तथा  समानांतर रूप से ही बाहर निकाला जाता है।

सीरियल में / सीरियल आउट (SISO):

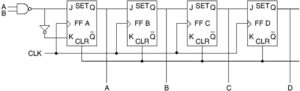
इस प्रकार का शिफ्ट रजिस्टर डेटा को लोड करता है और दाये से बाये शिफ्ट करता है यदि यह unidirectional होता है तथा दोनों दिशाओं स्थानांतरित करता है यदि यह bidirectional होता है। least significant bit (LSB) वाला फ्लिप-फ्लॉप सबसे बाएं में संग्रहीत किया जाता है और अंतिम आउटपुट को सबसे दाये फ्लिप-फ्लॉप पर प्राप्त किया जाता है।
Shift Register in hindi

4-चरण रजिस्टर शिफ्टिंग डेटा को बाएं से दाएं 1010 के संचालन को नीचे दिए गए आंकड़े में दिखाया गया है।

shift register in hindi

सीरियल इन / पैरेलल आउट (SIPO) शिफ्ट रजिस्टर:

 4-बिट SIPO के D फ्लिप-फ्लॉप और ब्लॉक प्रतीक का उपयोग करते हुए एक सीरियल-इन / पैरेलल-आउट रजिस्टर का सर्किट चित्र क्रमशः (a) और (b) में दिखाया गया है। यह सीरियल में / सीरियल आउट (SISO)शिफ्ट रजिस्टर के समान है, केवल एक ही अंतर है जिस तरह से आउटपुट को रजिस्टर से बाहर किया जाता है। डेटा को क्रमिक रूप से एक बिट / पल्स में दर्ज किया जाता है और सभी 4-बिट डेटा को रजिस्टर में लोड किया जाता है। अब आउटपुट को एक साथ AND गेट के माध्यम से पढ़ा जा सकता है जो डेटा को रजिस्टर से बाहर निकालने में मदद करता है।

पैरेलल इन  / सीरियल आउट (PISO) शिफ्ट रजिस्टर:

एक पैरेलल इन / सीरियल आउट शिफ्ट रजिस्टर में समानांतर डेटा इनपुट होते हैं। बिट्स को बिट-बाय-बिट प्रविष्टि के बजाय समानांतर लाइनों के माध्यम से उनके विशेष चरणों में एक साथ दर्ज किया जाता है जैसा कि क्रमिक रूप से डेटा इनपुट के साथ होता है। सीरियल आउटपुट को उसी तरह से लिया जाता है जैसा कि पहले बताया गया है। इस रजिस्टर का निर्माण या तो D flip-flop या SR flip-flop का उपयोग करके किया जा सकता है। D flip-flop का उपयोग करके 2-बिट (PISO) रजिस्टर नीचे दिए गए चित्र में दिखाया गया है।
shift register in hindi

पैरेलल इन / पैरेलल आउट शिफ्ट रजिस्टर (PIPO):

इस प्रकार के शिफ्ट रजिस्टर में एक बिट डेटा को समानांतर रूप से रजिस्टर में लोड किया जाता है तथा  समानांतर रूप से ही बाहर निकाला जाता है। पैरेलल इन / पैरेलल आउट  (PIPO) शिफ्ट रजिस्टर का चित्र नीचे दर्शाया गया है ।

Leave a Reply

Your email address will not be published. Required fields are marked *