Transistor-Transistor Logic (TTL) in Hindi
Table of Contents
Transistor-Transistor Logic (TTL) in हिंदी (ट्रांजिस्टर-ट्रांजिस्टर लॉजिक (TTL) हिंदी में)
TTL जैसा कि ऊपर उल्लिखित है, TTL ट्रांजिस्टर-ट्रांजिस्टर लॉजिक का संछिप्त रूप है । यह एक logic family हैं , जोकि bipolar process technology के साथ implement होती है । TTL में इस process का उपयोग NPN ट्रांजिस्टर, PN जंक्शन डायोड तथा diffused resistors को एक ingle monolithic structure पर जोड़ने के लिए किया जाता है, जिससे desired logic function को प्राप्त किया जा सके । NAND gate इस logic family का basic building block है।
ट्रांजिस्टर-ट्रांजिस्टर लॉजिक सबसे लोकप्रिय और व्यापक रूप से इस्तेमाल किया जाने वाला आईसी लॉजिक परिवार है। इसे T 2 L परिवार के रूप में भी जाना जाता है और 1964 में टेक्सास इंस्ट्रूमेंट्स द्वारा पेश किया गया था।
Working of Transistor-Transistor Logic (TTL) in Hindi
एक बेसिक ट्रांजिस्टर-ट्रांजिस्टर लॉजिक (TTL) गेट का सर्किट नीचे चित्र में दिखाया गया है। सबसे पहले हम इसके बेसिक कार्यो पर विचार करे। जब input voltage high होता है तो ट्रांजिस्टर T1 reverse active resion में रहता है। Base Emmiter voltage zero से कम तथा Base Collector Voltage zero से ज्यादा होता है। तो करंट Vcc से base resistor RB की ओर बहता है। इसके बाद यह करंट ट्रांजिस्टर T1 के base collector junction से होता हुआ ट्रांजिस्टर T3 के base में पहुँचता है।
जब इनपुट वोल्टेज कम होता है, तो बेस-एमिटर वोल्टेज VBE शून्य से अधिक होता है जिससे बेस रेसिस्टर के माध्यम से T1 के एमिटर-बेस जंक्शन और फिर ground की ओर करंट का प्रवाह होता है। ट्रांजिस्टर T3 के आधार पर संग्रहित चार्ज ट्रांजिस्टर के माध्यम से रिसाव नहीं करता है, बल्कि ट्रांजिस्टर T1 के फॉरवर्ड-बायस्ड कलेक्टर-बेस जंक्शन पर प्रवाहित होता है। यह ट्रांजिस्टर T1 को कट-ऑफ पर ले जाता है। अब आउटपुट वोल्टेज लगभग +5 V होता है।
DTL और TTL Logic Families के बीच मुख्य अंतर परिचालन गति (operational speed) में निहित है। Logic की उच्च से निम्न तक की संक्रमण गति उस गति पर निर्भर करती है जिस पर चार्ज का प्रसार (dissipate) होता है। Base में संग्रहित चार्ज में DTL गेट की तुलना में अधिक डिस्चार्जिंग करंट होता है। इस कारण से, TTL DTL की तुलना में बहुत तेज है।
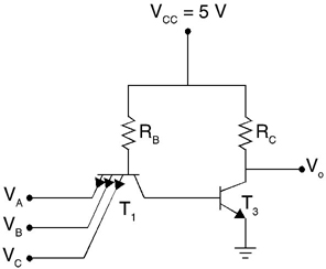
Multi-Emitter TTL Gate (मल्टी-एमिटर टीटीएल गेट):
एक साधारण आउटपुट स्टेज के साथ 3-इनपुट TTL NAND गेट पर विचार करें। इनपुट को कई-एमिटर ट्रांजिस्टर के उत्सर्जकों पर लागू किया जाता है। सर्किट नीचे चित्र में दिखाया गया है। जब सभी इनपुट उच्च स्तर पर होते हैं तो यह मल्टी-एमिटर ट्रांजिस्टर के बेस-एमिटर जंक्शनों को रिवर्स-बायस्ड होने का कारण बनता है। ट्रांजिस्टर के रिवर्स बायसिंग के कारण एक छोटा कलेक्टर वर्तमान इनपुट पर उपलब्ध है। VCC से धनात्मक वोल्टेज आधार अवरोधक RB से ट्रांजिस्टर T1 के आधार में बहता है। यह वर्तमान आउटपुट ट्रांजिस्टर के बेस-एमिटर जंक्शन से गुजरता है। इस प्रकार, आउटपुट ट्रांजिस्टर आयोजित करता है और आउटपुट वोल्टेज कम या Logic 0।
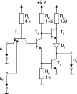
Totem Pole Transistor-Transistor Logic (TTL) (टोटेम पोल ट्रांजिस्टर-ट्रांजिस्टर लॉजिक (TTL)):
TTL का मुख्य नुकसान एकल आउटपुट स्टेज का उच्च आउटपुट प्रतिरोध है। यह “टोटेम-पोल” टीटीएल गेट का उपयोग करके दूर किया गया है जैसा कि नीचे दिए गए चित्र में दिखाया गया है। इसमें दो एनपीएन ट्रांजिस्टर T3 और T4, डायोड D1 और current-limiting resistor R3 शामिल है।
जब ट्रांजिस्टर T2 बंद होता है तो इससे ट्रांजिस्टर T4 भी ऑफ स्टेट में हो जाता है। ट्रांजिस्टर T3 सक्रिय क्षेत्र में संचालित होता है और उच्च आउटपुट वोल्टेज का उत्पादन करता है। जब ट्रांजिस्टर T2 चालू होता है, तो यह ट्रांजिस्टर T4 को ON state रखता है। यह आउटपुट पर कम वोल्टेज का कारण बनता है। यह सर्किट से स्पष्ट है कि T3 और डायोड के बेस-एमिटर श्रृंखला में जुड़े हुए हैं। इस श्रृंखला कनेक्शन के लिए, ट्रांजिस्टर T2 और T4 के कलेक्टर-एमिटर जंक्शन जुड़े हुए हैं। जब ट्रांजिस्टर T3 का बेस करंट कम होता है तो यह ट्रांजिस्टर को कट-ऑफ अवस्था में ले जाता है।



Electronics MCQ