Flip-Flop in hindi (फ्लिप-फ्लॉप हिंदी में)
Table of Contents
Flip-Flop in hindi (फ्लिप-फ्लॉप हिंदी में)
Flip-Flop (फ्लिप-फ्लॉप)
फ्लिप-फ्लॉप एक अनुक्रमिक तार्किक सर्किट circuit है, जो एक एज ट्रिगर पर संवेदनशील है। फ्लिप-फ्लॉप और लैच को विभिन्न लॉजिक गेट्स की सहायता से बनाया जाता हैं। फ्लिप-फ्लॉप लैच से अलग होता है, क्योंकि क्लॉक लैच में मौजूद नहीं होती है, जो फ्लिप-फ्लॉप के संचालन के लिए महत्वपूर्ण होती है। फ्लिप-फ्लॉप का आउटपुट क्लॉक की पॉजिटिव एज (edge ) या नेगेटिव एज के किनारे पर बदलता हैं, जबकि लैच में आउटपुट क्लॉक के उच्च (high) या निम्न (low) स्तर (level) के परिवर्तन पैर प्राप्त होता हैं।
फ्लिप फ्लॉप का ब्लॉक डायग्राम (Block Diagram) नीचे चित्र में प्रदर्शित हैं ।
![]() |
| फ्लिप-फ्लॉप |
Types of Flip-flop (फ्लिप फ्लॉप के प्रकार)
सामान्यतया फ्लिप फ्लॉप्स 4 तरह के होते हैं
1. S-R फ्लिप फ्लॉप
2. J – S फ्लिप फ्लॉप
3. D फ्लिप फ्लॉप
4. T फ्लिप फ्लॉप
Set-Reset (सेट – रीसेट) or S-R Set-Reset or S-R FF:
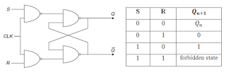
- S-R फ्लिप फ्लॉप एक पहला और बुनियादी फ्लिप फलोप है, जिसमें दो इनपुट होते हैं – S और R । S का अर्थ “सेट” है और R का अर्थ “रीसेट” है।
- फ्लिप फ्लॉप के इनपुट को SET कहा जाता है यदि इसके आउटपुट Q का उच्च मान या ‘1’ state है, और जब इसे RESET कहा जाता है, यदि आउटपुट Q का मान कम है या ’0′ state है।
- दोनों आउटपुट एक दूसरे के पूरक हैं (यानी, आउटपुट Q′ और Q )। इसका आउटपुट वर्तमान के साथ-साथ पहले से संग्रहीत आउटपुट पर निर्भर करता है।
- S-R फ्लिप फ्लॉप की कैरेक्टरिस्टिक इक्वेशन हैं
![]() |
| S-R फ्लिप फ्लॉप |
Delay or D फ्लिप फ्लॉप
S-R फ्लिप फ्लॉप एक फोर्बिडन स्टेट है। फ्लिप फ्लॉप से इस स्थिति को हटाने के लिए, S-R फ्लिप फ्लॉप के इनपुट टर्मिनल को एक इन्वर्टर या नॉट गेट के माध्यम से एक-दूसरे इनपुट से कनेक्ट करते हैं ।
D फ्लिप फ्लॉप का आंतरिक सर्किट और एक्ससिटेशन टेबल नीचे प्रदर्शित हैं
![]() |
| D फ्लिप फ्लॉप |
J-K फ्लिप फ्लॉप :
D फ्लिप फ्लॉप में इन्वर्टर या नॉट गेट के माध्यम से दोनों इनपुटों को जोड़कर इनपुट में दिया जाता हैं । इससे S-R फ्लिप फ्लॉप की फोर्बिडन स्टेट को आउटपुट से हटा दिया जाता है। लेकिन D फ्लिप फ्लॉप में सिर्फ एक इनपुट टर्मिनल होता है।
J-K फ्लिप फ्लॉप, S-R फ्लिप फ्लॉप के समान है क्योंकि इसमें 2 इनपुट होते हैं, जोकि J तथा K ।
J-K फ्लिप फ्लॉप की कैरेक्टरिस्टिक इक्वेशन हैं
जब हम J-K फ्लिप फ्लॉप के दोनों इनपुट पर उच्च या 1 देते हैं, तो आउटपुट टॉगल होता है और फोर्बिडन स्टेट या अस्पष्ट स्थिति को हटा दिया जाता है।
![]() |
| J-K फ्लिप फ्लॉप |
टॉगल or T फ्लिप फ्लॉप :
J-K फ्लिप-फ्लॉप के दो इनपुट टर्मिनल एक दूसरे से जुड़े हैं एक नया फ्लिप-फ्लॉप बनता है, जिसे टी फ्लिप-फ्लॉप कहा जाता है।
T फ्लिप फ्लॉप का आंतरिक सर्किट और एक्ससिटेशन टेबल नीचे प्रदर्शित हैं
![]() |
| T फ्लिप फ्लॉप |




